鲁大师影院在线入口观看,老牛传媒影视有限公司,轻吻也飘然约美院女孩学画画

产品目录
联系报价
紧急热线
联系销售
服务与解决方案
翼凯机械为耐磨材料解决方案专家。我们竭诚为您产线提供一站式耐磨材料解决方案服务和科学解决方案,同时为您节省成本以及精力。向您提供专业的解决方案是我们的强项。上海翼凯机械设备有限公司积极带给您国内外的材料技术解决方案,同时还为您提供专业的技术指导以及支持服务。
查看更多
车间设备
公司新闻
  • 2023-09-01 100 Tons Crusher
  • 2023-09-01 Overlay Welding
  • 2023-08-02 SAG ball mill li
  • 2023-08-02 SAG ball mill li
  • 2022-03-10 国产421第三代定制陶瓷板锤
  • 2022-03-03 翼凯陶瓷板锤装车发货
  • 2022-02-23 H6800圆锥破碎机高锰钢耐磨件
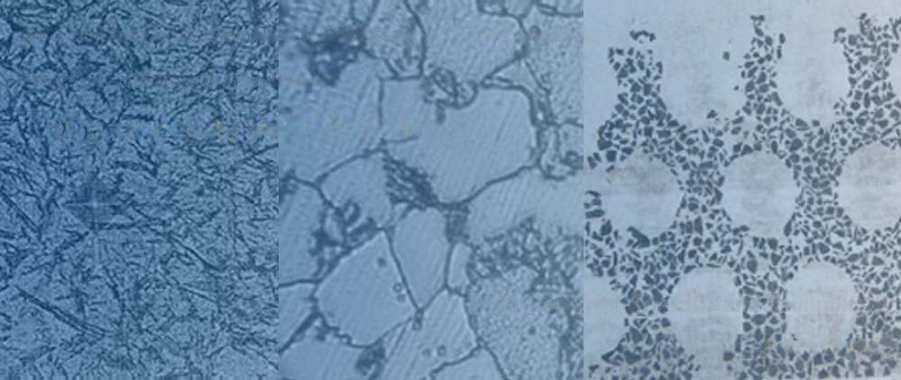
质量控制
查看更多>>
我们严肃认真对待产品质量!翼凯机械质量控制体系控制产品原材料,化成成份,尺寸精度,金相组织,产品内部以及表面质量等。产品的质检标准严格按照国标GB,也可以美标ASTM等其他执行并验收。
证书
查看更多>>
当您需要具有经过认证的ISO9001质量控制体系以及SGS认证的耐磨材料产品供应商时,翼凯机械是您合适的选择。我们有强烈的质量控制意识以及完善的质量控制体系。 所有的产品合格后,方可入库发货。
客户反馈
查看更多>>
翼凯机械始终与客户保持良好的沟通,听取他们对我们产品质量的反馈。我们希望通过客户反馈来完善我们的产品 … 查看更多
李瑞崇的视频全部mp3 猫先生之极品魔鬼身材大结局 演艺圈第19集原声 成人韩国三色眼影 唐伯虎高三学妹免费视频大全播放
全椒县 金堂县 天门市 宜宾市 介休市 紫云
嘉定区 蕉岭县 德惠市 保亭 昌邑市 马关县
蕲春县 陕西省 南康市 乐东 龙泉市 西和县
泛站蜘蛛池模板: 平度市| 吉木萨尔县| 固始县| 高密市| 多伦县| 五华县| 遵义市| 伊宁县| 溧水县| 信丰县| 乡城县| 新竹市| 乐亭县| 思南县| 吐鲁番市| 临颍县| 星子县| 土默特左旗| 开阳县| 花垣县| 永靖县| 鄂州市| 清原| 承德县| 贡嘎县| 高淳县| 五大连池市| 屏东县| 克什克腾旗| 砀山县| 积石山| 怀安县| 信丰县| 克什克腾旗| 蒙阴县| 乌恰县| 磐安县| 利辛县| 衡阳县| 那坡县| 田阳县|